벨로스터N(Veloster N) CAN-BUS Part .3 - CAN 통신 케이블

// 현재는 3secondz가 사업을 접은 것인지 공식 몰에 저 케이블을 팔지 않는다. 케이블 뿐만이 아니라 랩타이머 자체인 자이로도 안파는 것 같다.
저런 케이블의 대체재를 찾아 검색해보니 특허가 등록 되어있다. https://scienceon.kisti.re.kr/srch/selectPORSrchPatent.do?cn=KOR1020190011083/ 특허 사용료 때문인지... AIM이나 뭐 이런데도 쓰는거 같은데 양산품이 안나온다. 조순호 케이블이라는 걸로 팔리긴 하던데 중고로만 있는거 보니 어디 장착점에서 만들어 달아주는게 아닌가 싶다. 여튼 직접 만들어 쓰면 별 문제는 없으니 TE(구 Amp) 품번을 한번 찾아보았다. 일단 암하우징은 현대에서 쓰는거라 품번이 확실하고 숫 하우징은 3secondz 캔통신케이블 커넥터 하우징의 생긴거만 보고 찾아봤는데 확실치는 않다.
1-936119-1 암 하우징
936121-1 숫 하우징
호환되는 단자들은 전선 굵기와 락킹, 도금 여부에 따라 다르므로 저 품번들 치고 TE공홈 들어가서 Required parts에서 Receptacle(암놈) Tab(숫놈) 0.25inch탭 용으로 사야할것 같다.
3secondz에서 구매한 CAN 통신 케이블을 받았다.

근데 순정에는 있는 핀이 없다.
다행히 내가 울산에 살아서 아는사람 한테 샤바샤바해서 하나를 구해서

꽂았다.
저 핀이 있으면 커넥터에서 락을 걸어서 핀을 빼지 않으면 커넥터가 빠지지 않게 해준다.
저 흰색을 눌러서 앞으로 밀면 Lock 눌러서 뒤로 빼면 Unlock이다.
물론 흰 핀이 없어도 커넥터 가운데를 누르면 휘어서 락이 걸리기는 하는데 흰색 핀은 2차 Lock이다.
커넥터의 품번은 검은색 기준 핀이 있는 건 1-936119-1이고 없는건 936119-1이다 웬만하면 3secondz에서도 핀이 있는 걸 사용해주면 좋겠다.

여튼 설치를 해야하는데 차안이 너무 더워서 사진을 잘 못찍었다.
https://www.youtube.com/watch?v=bTBPMnFziqQ 쓰리세컨즈 유튜브를 참조하면 쉽게 가능할 것이라고 생각된다.

여튼 설치를 다하고 다시 재현해 보자면
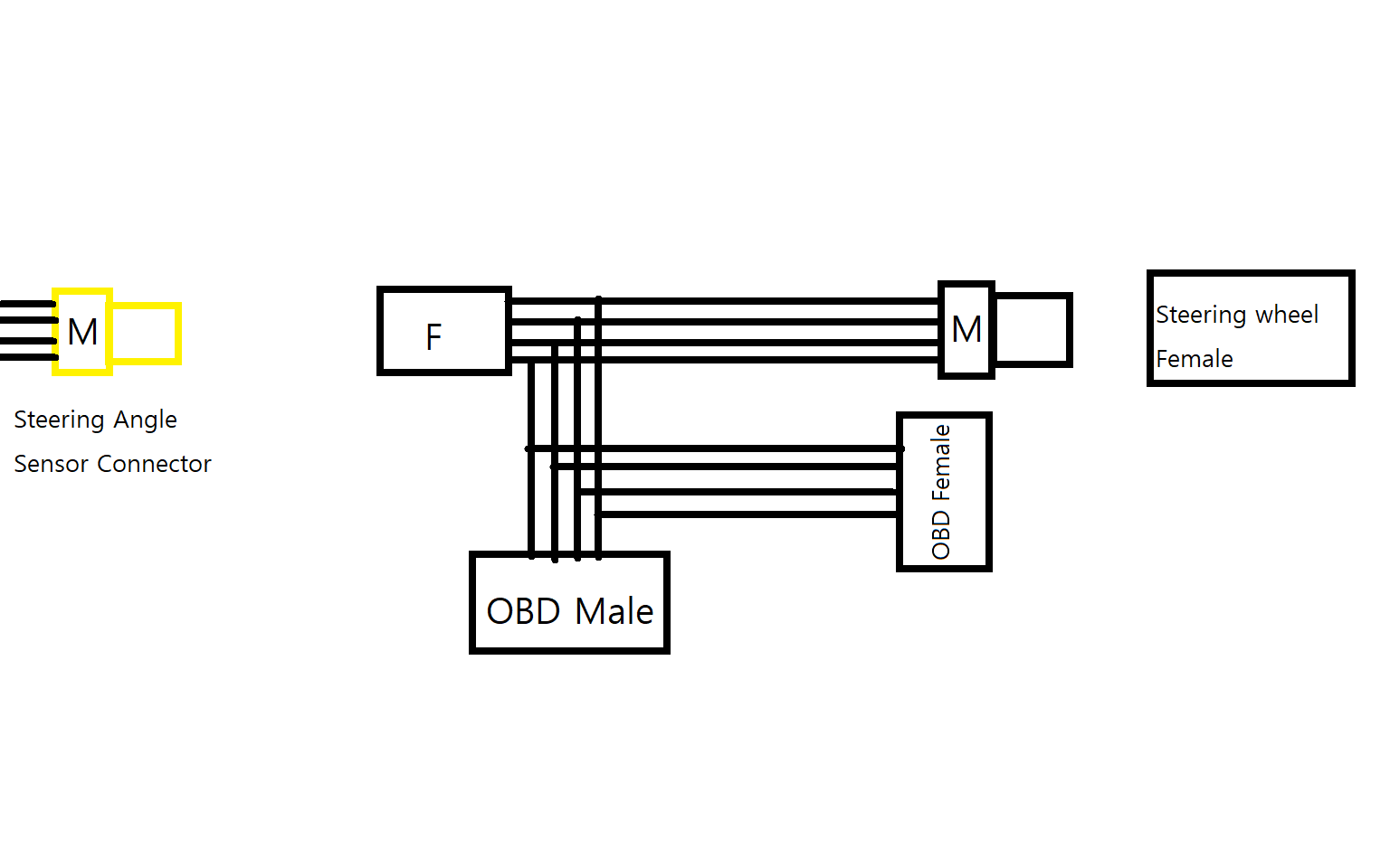
커버를 다 떼내고 조수석 쪽에서 봤을 때 저 노란색이 스티어링 휠 앵글 센서 커넥터다 저걸 분리할때는 꼭 시동을 끈 상태에서 해야한다.
저 노란색 커넥터를 저 사진 반대방향에서 보면 흰색 락장치가 있다. 그걸 눌러서 뒤로 빼면 Unlock이 되고 커넥터를 제거할 수 있다.

대충 그려보면 이런식이다. 노란색 커넥터와 핸들을 분리하고 그 사이에 CAN 통신 케이블을 삽입한다. 그러면 끝
저게 연결이 끝나면 시동을 걸면 된다.

선정리는 대충 이렇게 했다.
이렇게 하면 단점이 스티어링 휠 텔레스코픽이 끝까지 안들어간다
근데 어차피 나밖에 안타니까 별 상관 없다.

OBD 포트 선정리도 대충 했다. 한개는 OBDLINK MX+를 꽂고 한쪽에는 CAN-BUS 리더기가 필요할때마다 꽂을 생각이다.